What does it mean with 0.5, 1, 2 & 3 BHK and 2T, 1RK in a building
- Concrete Cost Estimator
- Concrete Continuous Footing
- Landscape Bidding and Estimating
- Construction Cost Estimating
- Concrete and steel cost estimation
- Construction Cost Estimate Breakdown
- Construction Estimating Worksheet
- Home Construction Cost Estimate
- Estimate Pricing Sheet
- Sheet for General Contractor
- Construction Cost Estimate
- Labor Materials Cost Estimator
- Masonry Estimating Sheet
- Sheet for Building Contractor
- Construction Schedule Bar chart
- General Cost Estimator Sheet
- General Construction Estimate
- Building and Road Estimating Sheet
- Detailed expense estimates
- Door and Window Takeoff Sheet
- General Construction Cost Estimating Sheet
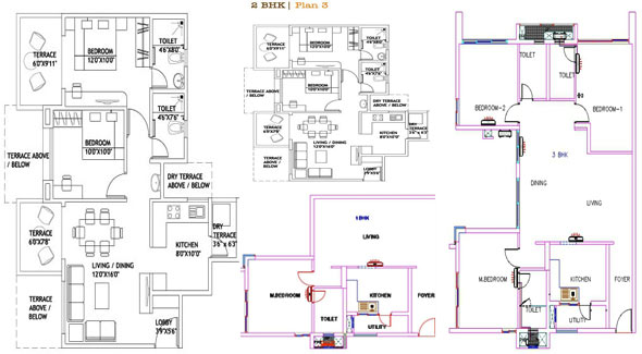
BHK is a terminology associated with flats to recognize or illustrate the layout of a flat. The numeric value before any of the letters given below, will point to the number of rooms.
BHK denotes for Bedroom, Hall & Kitchen
If 2B is mentioned it signifies that it contains 2 Bedroom
2H signifies 2 Hall/Living room
2K signifies 2 Kitchen
1 BHK denotes 1 Bedroom, 1 Hall & 1 Kitchen
2 BHK denotes 2 Bedroom, 1 Hall & 1 Kitchen
In some cases, it also categorized as 1 Master Bedroom (greater than standard size) & 1 Small Bedroom, 1 hall & 1 kitchen.
3 BHK denotes 3 Bedroom, 1 Hall & 1 Kitchen
4 BHK denotes 4 Bedroom, 1 Hall & 1 Kitchen
0.5 BHK stands for 0.5 Bedroom, 1 Hall & 1 Kitchen. It contains a smaller size (generally under the standard size referred by 0.5). Usually, it will be suitable for library or study room size. But, it can also be utilized as bedroom. Presume the 1 BHK Flat layout devoid of the bedroom size will be under the standard size.
1.5 BHK stands for 1.5 Bedroom, 1 Hall & 1 Kitchen. 1.5 signifies 1 bedroom & 1 bedroom (0.5) that is under the standard size. Generally, they will be mentioned as library or study room. They are additional rooms.
2.5 BHK stands for 2.5 Bedroom, 1 Hall & 1 Kitchen. 2.5 signifies 2 bedrooms & 1 bedroom (0.5) that is under the standard size. Generally they will be pointed as library or study room. They are additional rooms equivalent to 1.5 BHK layout but contain one more bedroom.
1 RK stands for 1 Room & 1 Kitchen. The Studio apartments should contain these type of layouts. It comprises of 1 room that is utilized as living room & 1 kitchen
2 BHK 2T signifies 2 Bedroom, 1 Hall, 1 Kitchen & 2 Toilets. It comprises of 2 Bedrooms, 1 Hall, 1 kitchen & 2 Toilets ( 1 common & 1 attached with master bedroom).
3 BHK 2T stands for 3 Bedroom, 1 Hall, 1 Kitchen & 2 Toilets. It contains 3 Bedrooms, 1 Hall, 1 kitchen & 2 Toilets ( 1 common & 1 attached with master bedroom).
3 BHK 3T signifies 3 Bedroom, 1 Hall, 1 Kitchen & 2 Toilets. It comprises of 3 Bedrooms, 1 Hall, 1 kitchen & 3 Toilets ( 1 common & 2 attached with bedroom).
To view the related drawings of these rooms, go through the following construction article civilology.com

- Application of concrete calculator
- Roofing Calculator can streamline the roof estimating process
- House construction cost calculator
- Engineering column design excel spreadsheet
- Material Estimating Sheet with Excel
- Materials List and Cost Estimate Worksheet
- Concrete Slab Estimating Calculator Sheet
- Common types of foundations for buildings
- Online calculation of construction materials
- Estimating with Excel for the Small Contractor
- Concrete Beam Design Spreadsheet
- Virtual Construction Management app for construction
- Autodesk’s Project Skyscraper
- Reed Construction’s Reed Insight
- Manage your construction project documentation
- Costimator, the popular cost estimating software
- On Center Software for construction professionals
- Free Construction Estimating Software
- Plumbing Calc Pro
- Cost Estimate Worksheet
- HVAC Piping Quantity Takeoff Worksheet
- Construction Estimating Software Sheet
- Estimate Cost Templates
- Construction Punch List
- Construction cost estimating template consisting estimating basic
- Gantt Chart Template for Excel
- Download Civil Engineering Spreadsheets with Verification
- The Building Advisor Estimating and Budgeting Worksheet
- Spreadsheet for design of concrete bridge
- Construction Estimating Software Free


